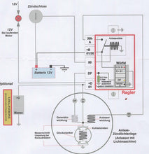
Bosch or Siba dynastart starter/regulators with electronic voltage regulator and 60amp starter relay.
Bosch or Siba dynastart starter/regulators with electronic voltage regulator and 60amp starter relay.
Bosch or Siba dynastart starter/regulators with electronic voltage regulator and 60amp starter relay.

Bosch or Siba dynastart starter/regulators with electronic voltage regulator and 60amp starter relay.

Regular price
£226.64
Sale price
£226.64
Tax included. Shipping calculated at checkout.

New stock x3 off replacement for Bosch or Siba dynastart starter/regulators with electronic voltage regulator and 60amp starter relay.

The Bosch regulator which is now more than 60 years old is problematic, many have a burnt centre tapped 7.5Ω resistor – Schmittparts offer a replacement new starter voltage regulator £226.64

Modern electronic voltage regulator features precision regulation that is not possible with the original electro-mechanical systems. Reduction of brush sparking is a significant advantage that is achieved by continuous adjustment of the field according to load and engine revolutions. Original electro-mechanical devices switch the field on and off - hence the brush sparking. www.schmittparts.co.uk free international technical support with WhatsApp +44 7482 314636